Torneira de lavatório embutida Waterrevolution Flow PVD ouro branco com bico de 21 cm T116BWGE-21

Número do artigo 1208940803
Torneira de lavatório embutida Waterrevolution Flow PVD ouro branco com bico de 21 cm T116BWGE-21
355,58 € 544,95 € incl. 23% IVA
Envio grátis
Encomendado hoje, entrega 02-05-2026
Marca
Série

Comprimento de saída Variações

Cor Variações

214.000+ clientes satisfeitos
Entrega gratuita a partir de 150 €
Devoluções fáceis em até 30 dias
Opções de entrega ecológicas
Tudo sobre este produto
Informação do Produto

Waterevolution Flow Torneira de lavatório embutida PVD Ouro Branco com bico de 21 cm T116BWGE-21

Elegante, intemporal e de alta qualidade: este conjunto da série Waterevolution Flow confere um visual minimalista à sua casa de banho. A tecnologia permanece invisível na parede, enquanto o bico PVD ouro branco de 21 cm e os elementos de comando conferem um aspeto sofisticado.

Descrição
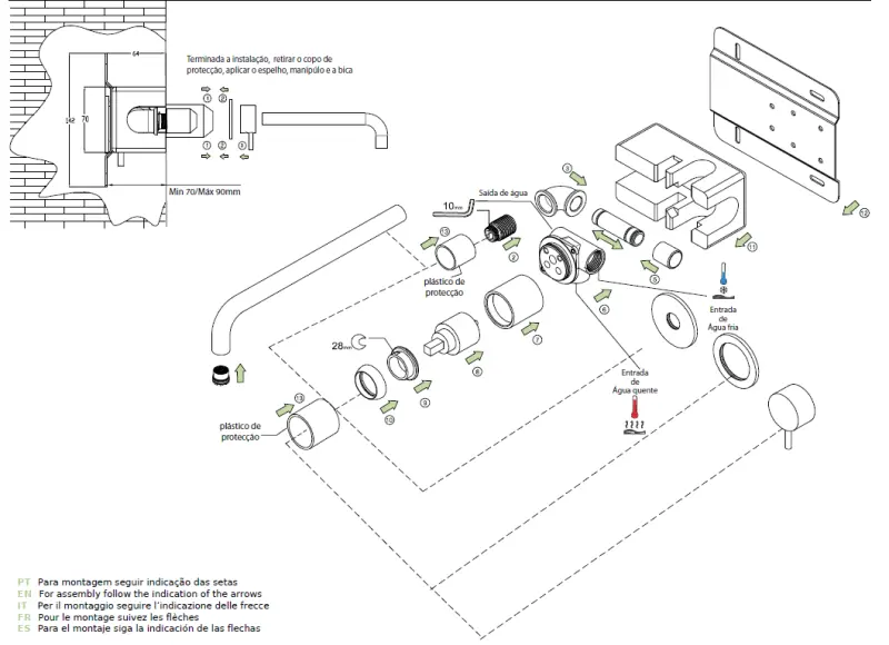
Este artigo refere-se apenas à parte de acabamento (a parte visível e externa) da torneira de lavatório embutida. Para uma instalação completa, é necessária uma parte embutida. Pode escolher entre três partes embutidas compatíveis, disponíveis separadamente (ver opções abaixo).

Propriedades e características

MarcaWaterevolution
SérieFlow
Tipo de produtoPeça de acabamento (parte visível externamente)
MontagemEmbutido, configuração de 2 orifícios
AcabamentoOuro branco
Bico21 cm
AplicaçãoLavatório / casa de banho
CompatibilidadeCombinável com peças embutidas Waterevolution (ver lista de opções abaixo)
EntregaConjunto de acabamento (rosetas/comando/bica); peça embutida não incluída


Vantagens

  • Aspecto minimalista — apenas o elegante comando e o bico são visíveis, a tecnologia fica na parede.
  • Qualidade duradoura — acabamento em PVD ouro branco e materiais sólidos para uma utilização prolongada.
  • Combinação flexível — escolha a peça de encastrar que se adapta ao seu projeto (padrão, ajustável ou com isobox).

Atenção ao encomendar

  • Este artigo é apenas a peça de acabamento; a peça de encastrar deve ser encomendada separadamente.
  • Verifique a compatibilidade com a peça de encastrar escolhida e a distância/posição central desejada.
  • O conjunto visível inclui comando/rosetas/bica; as ligações e a unidade de encastrar estão incluídas na peça de encastrar.
Especificações
Marca Waterevolution
Cor Ouro
Comprimento de saída 210mm
Carisma Design
Série Flow
Trabalho interno Discos cerâmicos
Número de furos de torneira 2-furos
Embutido Sim
Método de montagem Embutido
Material Aço inoxidável
Incluindo parte embutida Sim
Parte superior cerâmica Sim
Mecanismo de fechamento Cartucho cerâmico
Com rosetas / placa de cobertura Sim
Apreensão Aperto fechado
Dimensão da roseta de cobertura 60
Execução atraso Fixo
Modo de operação Mão
Com conjunto de drenagem Não
Revestimento PVD
Classe de produto Torneira de pia
Método de montagem torneira de lavatório Embutido
Informações de entrega
A maioria dos nossos pedidos é enviada com vários transportadores. Às vezes usamos outros transportadores para entregar pedidos específicos ou para aliviar a carga dos principais transportadores para cumprir nossas promessas de entrega.

O tempo de entrega estimado é sempre mostrado na página do produto. A maioria dos produtos que temos em estoque são enviados no mesmo dia. Na noite anterior à entrega, você receberá informações de rastreamento com uma janela de tempo para a entrega. Importante saber: os motoristas dos nossos transportadores escolhidos entregam os produtos até a porta da frente no térreo.

Além disso, para produtos maiores, como pias de granito, grandes pias frágeis, armários, etc., você receberá um código de rastreamento à noite. Esses produtos não são entregues aos vizinhos e é necessária uma assinatura, portanto, alguém deve estar em casa para receber o produto. Nota: esses produtos grandes não são entregues aos sábados!

Se a entrega de um produto grande falhar na primeira tentativa, o transportador entrará em contato com você por e-mail ou SMS para enviar um cronograma, para que você possa escolher um horário em que estará em casa.

Aplicam-se sobretaxas de entrega de €30 a €100 para envios para ilhas, devido a custos logísticos adicionais, como transporte por água e acessibilidade limitada, e aplicam-se sobretaxas para envios de paletes para o transporte de produtos frágeis e mais pesados.
Informações sobre o fabricante Waterevolution
Waterevolution

A Waterevolution é um fabricante português de torneiras para casa de banho, sanitário e cozinha. Ao contrário de muitas outras "marcas" de torneiras, a Waterevolution é um verdadeiro fabricante. Trabalham em colaboração com alguns dos principais designers portugueses para desenvolver as suas séries de torneiras.

As torneiras em aço inoxidável da Waterevolution são produzidas em aço inoxidável 316 maciço, 100%. Recentemente, estas torneiras em inox também podem receber um revestimento PVD nas cores Gun Metal, Latão, Cobre e Ouro.

Como as torneiras são fabricadas em Portugal, o preço é significativamente mais baixo do que outras marcas europeias de torneiras de design da mesma qualidade.

Prós e contras

De acordo com o nosso principal especialista

Camada superior resistente ao desgaste e a riscos

As cores não desbotam rapidamente
Resistente à oxidação e manchas
Mais durável que cor pulverizada

A água dura pode causar manchas

Nem todo detergente é adequado

Our top specialist

Tem uma empresa?

Tenha acesso a benefícios B2B exclusivos!

Solicite a sua conta B2B
10 € Desconto
Junta-te à comunidade Loriano de melhorias para a casa
Pronto para te ligares e receberes conteúdo exclusivo? A nossa newsletter traz ideias de estilo, guias de projetos, acesso antecipado a promoções e primeiras novidades de novos produtos. Inscreve-te agora e recebe de imediato o teu vale de boas-vindas de 10 €!

Selecione seu país:
Bank transfer Card Klarna Apple Pay Google Pay Trustly MB Way Multibanco
Loriano.pt | Copyright 2006 - 2026 | Todos os direitos reservados | Cookies